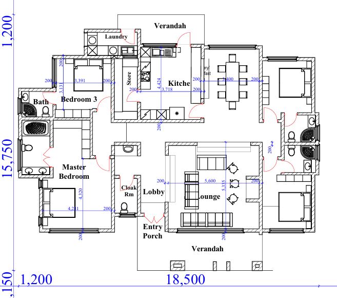
4 bedroom all ensuite
KSh 29,999

Customize your cost estimate
Tweak area, finishes and extras to get an instant ballpark. This is a planning tool - final costs depend on site conditions and selections.
Derived: KSh 30,000 / m² (from plan)
Extras are costed as area equivalents (garage ~20m², balcony ~10m²×0.7, verandah ~12m²×0.6).
Estimate breakdown
- Effective area
- 229 m²
- Rate
- KSh 30,000 / m²
- Finish × Location
- 1.00 × 1.00
- Base build
- KSh 6,870,000
- Professional fees (8%)
- KSh 549,600
- Contingency (10%)
- KSh 741,960
Estimated total
KSh 8,161,560
This calculator gives a planning estimate based on allowances and multipliers. Site conditions, specification and market rates can vary.
Add a review
Your email address will not be published. Required fields are marked *
